사양
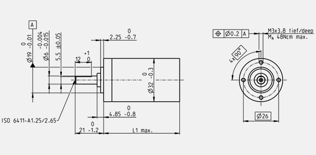
제품 도면
- 치수 도면
Information: Drawings are not in scale.
| 일반 정보 | |
| 기어 타입 | GP |
| 외경 | 32 mm |
| 기어 종류 | 표준 버전 |
| 기어 데이터 | |
| 감속비 | 2189 : 1 |
| 절대 감속비 | 536406/245 |
| 최대 모터 샤프트 직경 | 3 mm |
| 스테이지 수 | 5 |
| 최대 단속 토크 | 4.5 Nm |
| 기어 출력단 순간 허용 토크 | 6.5 Nm |
| 출력단 회전방향 | = |
| 최대 효율 | 50 % |
| 무부하 평균 백래시 | 1 ° |
| 관성모멘트 | 0.7 gcm² |
| 길이 (L1) | 56.5 mm |
| 최대 연속 전달 출력 | 2.5 W |
| 최대 단속 전달 출력 | 3.5 W |
| 기술 데이터 | |
| 출력 축 베어링 | 볼 베어링 |
| 레디얼 흔들림 | 최대 0.14 mm, 5 mm 플랜지에서부터 |
| 축방향 흔들림 | 최대 0.4 mm |
| 최대 레디얼 부하 | 200 N, 10 mm 플랜지에서부터 |
| 최대 축방향 하중 (구동 시) | 120 N |
| 최대 허용 압입력 | 120 N |
| 최대 연속 입력 속도 | 6000 rpm |
| 최대 단속 입력 속도 | 6000 rpm |
| 권장 온도 범위 | -40...+100 °C |
| 확장 온도 범위 | 100...+100 °C |
| 오토클레이브 사이클 | 0 |
| 기타 | |
| 무게 | 258 g |
